- Sản phẩm chính hãng 100%
- Giá luôn tốt nhất
- Tư vấn chuyên nghiệp
- Giao hàng toàn quốc
- Bảo hành & sửa chữa tận tâm
Máy đo độ cứng Shore Huatec LX-D-2
1 đánh giá






Giá bán:4.100.000 đ(Chưa gồm VAT)
Hãng: Huatec
Mã sản phẩm: LX-D-2
Bảo hành: 12 tháng
Tình trạng: Còn hàng
Hotline
Hà Nội: Mr Duy - 0976606017
Ms Chinh - 0981060817
Mr Việt - 0865466689
Mr Nam - 0902148147
---------------------------------------------------
Sài Gòn: Mr Nam - 0917182242
Mr Kiên - 0919302242
Mr Nghĩa - 0918982242
Lợi ích khi mua
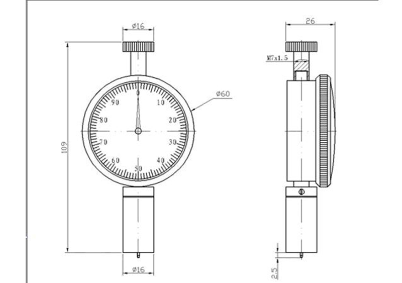
Thông số kỹ thuật LX-D-2
| Giá trị quay số | 0 100HD; |
| Điểm kim áp lực | 2,5 mm; |
| Phạm vi đề xuất | 20 90HD; |
| Kích thước đầu ép | SR2,5 mm; |
| Trọng lượng | 0,5 kg. |
| Giá trị quay số | 0 ~100HD |
| Bấm kim | 2,5 Mm |
| Phạm vi đề xuất | 20 ~ 90HD |
| Kích thước đầu nhấn | SR2,5 Mm |
Mô tả sản phẩm LX-D-2
Máy đo độ cứng Shore Huatec LX-D-2 là máy đo độ cứng cầm tay loại cực đại, đo độ cứng vật liệu cao. Mặt đồng hồ của thiết bị sử dụng kim đôi và thiết bị áp dụng phương pháp đo độ cứng Shore
ĐẶC ĐIỂM NỔI BẬT CỦA MÁY ĐO ĐỘ CỨNG LX-D-2 CẦM TAY
- LX-D-2 thích hợp cho độ cứng của vật liệu như cao su cứng thông thường, Damar, acrylic, thủy tinh plexiglass, nhựa nhiệt dẻo, in, sợi và các vật liệu khác có độ cứng cao. Các sản phẩm tuân thủ HG / T2361 và các tiêu chuẩn liên quan khác.
- Chỉ báo loại con trỏ, đọc thuận tiện, chính xác, độ chuẩn xác cao;
- Thiết kế cầm tay, dễ thực hiện, có thể là một phép đo cầm tay, cũng có thể được gắn trên một giá đỡ hỗ trợ.

Sản phẩm liên quan
Sản phẩm đã xem
Đánh giá sản phẩmĐánh giá ngay
Bình luận sản phẩm













