- Sản phẩm chính hãng 100%
- Giá luôn tốt nhất
- Tư vấn chuyên nghiệp
- Giao hàng toàn quốc
- Bảo hành & sửa chữa tận tâm
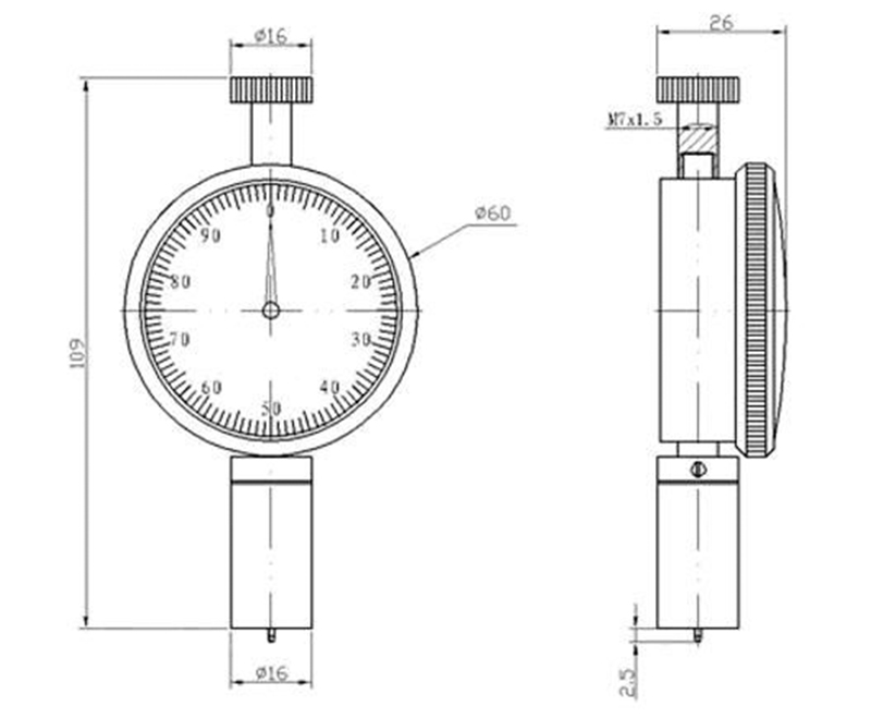
Máy đo độ cứng Shore Huatec LX-A-2
1 đánh giá






Giá bán:2.480.000 đ(Chưa gồm VAT)
Hãng: Huatec
Mã sản phẩm: LX-A-2
Bảo hành: 12 tháng
Tình trạng: Còn hàng
Hotline
Hà Nội: Mr Duy - 0976606017
Ms Chinh - 0981060817
Mr Việt - 0865466689
Mr Nam - 0902148147
---------------------------------------------------
Sài Gòn: Mr Nam - 0917182242
Mr Kiên - 0919302242
Mr Nghĩa - 0918982242
Lợi ích khi mua
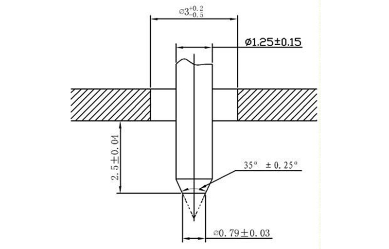
Thông số kỹ thuật LX-A-2
| Giá trị số | 0~ 100HA; |
| Áp lực của kim | 2.5 mm; |
| Khoảng đo đề xuất | 10~ 90HA; |
| Kích thước đầu đo | Φ0.79 mm; |
| Trọng lượng | 0.5 kg |
Mô tả sản phẩm LX-A-2
Máy đo độ cứng Shore Huatec LX-A-2 là thiết bị đo độ cứng bỏ túi sử dụng mặt đồng hồ số kim đôi. LX-A-2 dùng phương pháp Shore đạt độ chính xác cũng như có khả năng giữ đỉnh được áp dụng cho độ cứng cao su shore
- Tiêu chuẩn: Tiêu chuẩn quốc tế ISO868 và ISO7619, tuân thủ các tiêu chuẩn GB / T531, JB6148 và JJG304
- Giá trị số: 0~ 100HA
- Áp lực của kim: 2.5mm
- Dải đo đề xuất: 10~ 90HA
- Kích thước đầu đo áp lực: Φ0.79 mm
- Trọng lượng: 0.5 Kg
ĐẶC ĐIỂM NỔI BẬT CỦA THIẾT BỊ LX-A-2
- Máy đo độ cứng sử dụng mặt đồng hồ số, đọc các thông số thuận tiện và chính xác, phép đo đạt độ chuẩn xác cao.
- Thiết bị được thiết kế dạng cầm tay, dễ dàng di chuyển đến bất cứ không gian nào. Đặc biệt LX-A-2 có thể được sử dụng cầm tay hoặc để trên giá đỡ để đo độ cứng.

Chức năng:
- Thang đo LX Shore A được áp dụng rộng rãi ở độ cứng thấp, tất cả các loại cao su, nhựa, da, sáp và các phép đo độ cứng đa chất béo khác.
- Tham khảo sản phẩm: Tiêu chuẩn quốc tế ISO868 và ISO7619, tuân thủ các tiêu chuẩn GB / T531, JB6148 và JJG304.

Sản phẩm liên quan
Sản phẩm đã xem
Đánh giá sản phẩmĐánh giá ngay
Bình luận sản phẩm















